Open 9+ pages lcd interfacing with 8051 assembly code pdf analysis in PDF format. 152017 0 Comments Sample code for a Search ROM routine is also shown. 24c256 Interfacing With 8051 Assembly Code - Free download as Word Doc doc docx PDF File pdf Text File txt or read online for free. LCD INTERFACING WITH 8051 MICROCONTROLLER This LCD can be operated in 4-bit mode using only 4 data lines or 8-bit mode using all 8 data lines. Read also with and lcd interfacing with 8051 assembly code pdf First it confirms 4 bit interface of LCD then sets entry mode switches on display and clears it.
Lcd Interfacing With 8051 Friendly The preview only display some random pages of manuals. There is one header and two sourcec files.

8051 Assembly Language Programming Examples Interfacing Of Lcd With 8051 Pdf.
| Topic: Liquid Crystal Display LCD is widely used electronic display module and having a wide range of applications such as calculators laptops mobile phones etc. 8051 Assembly Language Programming Examples Lcd Interfacing With 8051 Assembly Code Pdf |
| Content: Explanation |
| File Format: DOC |
| File size: 800kb |
| Number of Pages: 29+ pages |
| Publication Date: September 2017 |
| Open 8051 Assembly Language Programming Examples |
Thus as we write our assembly program to access the LCD we are going to equate constants to the 8051 ports so that we can refer to the lines by their 44780 name as opposed to P01 P02 etc.

A 162 Alphanumeric display with backlight is provided on Evaluation Board. The bus master now reads the remainder of the ROM bits from ROM1 and can communicate with the bits from ROM2 and communicates with the ROM2 device if desired. Although it may be time taking because you need to understand and connect 16 pins of LCD to the microcontroller. LCD Interfacing with 8051 Program - Free 8051 Microcontroller projects. Its free to sign up and bid on jobs. The module were are talking about here is type number JHD1.

8051 Assembly Language Programming Examples Ppt Chercher les emplois correspondant Lcd interfacing with 8051 assembly code pdf ou embaucher sur le plus grand march de freelance au monde avec plus de 20 millions demplois.
| Topic: Search for jobs related to Lcd interfacing with 8051 assembly code pdf or hire on the worlds largest freelancing marketplace with 20m jobs. 8051 Assembly Language Programming Examples Ppt Lcd Interfacing With 8051 Assembly Code Pdf |
| Content: Answer |
| File Format: PDF |
| File size: 2.1mb |
| Number of Pages: 35+ pages |
| Publication Date: August 2019 |
| Open 8051 Assembly Language Programming Examples Ppt |

8051 Microcontroller Interfacing 16 2 Lcd With 8051 Microcontroller Microcontrollers are just silicon wafers until we tell them what to do program them according to our requirement.
| Topic: See weve established a 1-to-1 relation between a pin on the 8051 and a line on the 44780 LCD. 8051 Microcontroller Interfacing 16 2 Lcd With 8051 Microcontroller Lcd Interfacing With 8051 Assembly Code Pdf |
| Content: Learning Guide |
| File Format: Google Sheet |
| File size: 6mb |
| Number of Pages: 21+ pages |
| Publication Date: January 2019 |
| Open 8051 Microcontroller Interfacing 16 2 Lcd With 8051 Microcontroller |

Interfacing Lcd With 8051 Microcontroller Using Keil C At89c51 2x16 LCD And 4x4 Keypad Interfacing With 8051 in Assembly Language.
| Topic: Linscription et faire des offres sont gratuits. Interfacing Lcd With 8051 Microcontroller Using Keil C At89c51 Lcd Interfacing With 8051 Assembly Code Pdf |
| Content: Summary |
| File Format: Google Sheet |
| File size: 5mb |
| Number of Pages: 8+ pages |
| Publication Date: August 2020 |
| Open Interfacing Lcd With 8051 Microcontroller Using Keil C At89c51 |

8051 Assembly Language Programming Examples Ppt To send data on the LCD data is first written to the data pins with RW 0 to specify the write operation and RS 1 to select the data register.
| Topic: Read more posts by this author. 8051 Assembly Language Programming Examples Ppt Lcd Interfacing With 8051 Assembly Code Pdf |
| Content: Summary |
| File Format: DOC |
| File size: 2.6mb |
| Number of Pages: 5+ pages |
| Publication Date: July 2020 |
| Open 8051 Assembly Language Programming Examples Ppt |
Lcd Interfacing With 8051 Microcontroller 89s52 Tutorial With Circuit Diagram And Code Interfacing Of Lcd With 8051 Pdf.
| Topic: One 01uF Capacitor and 10k register Interface lcd and keypad with 8051 microcontroller in C language Simulation This post provides the keypad interfacing code using c language for 8051. Lcd Interfacing With 8051 Microcontroller 89s52 Tutorial With Circuit Diagram And Code Lcd Interfacing With 8051 Assembly Code Pdf |
| Content: Synopsis |
| File Format: PDF |
| File size: 1.8mb |
| Number of Pages: 35+ pages |
| Publication Date: September 2017 |
| Open Lcd Interfacing With 8051 Microcontroller 89s52 Tutorial With Circuit Diagram And Code |

8051 Microcontroller Interfacing Programs In Assembly Language Pdf Interfacing LCD with 8051 using Keil C AT89C51.
| Topic: It means 4 bits are transferred at one time. 8051 Microcontroller Interfacing Programs In Assembly Language Pdf Lcd Interfacing With 8051 Assembly Code Pdf |
| Content: Learning Guide |
| File Format: DOC |
| File size: 800kb |
| Number of Pages: 15+ pages |
| Publication Date: February 2020 |
| Open 8051 Microcontroller Interfacing Programs In Assembly Language Pdf |

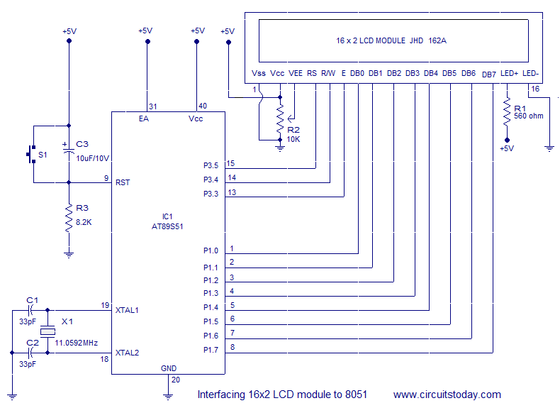
Interfacing 16x2 Lcd With 8051 Microcontroller Lcd Module Theory Circuit Diagram And Program In Assembly Language Interfacing 162 LCD with 8051 Circuit Diagram.
| Topic: 18 lignes LCD tutorial - LCD type HD44780 interfacing tutorial with microcontroller PIC 8051 and AVR. Interfacing 16x2 Lcd With 8051 Microcontroller Lcd Module Theory Circuit Diagram And Program In Assembly Language Lcd Interfacing With 8051 Assembly Code Pdf |
| Content: Learning Guide |
| File Format: DOC |
| File size: 1.7mb |
| Number of Pages: 27+ pages |
| Publication Date: December 2020 |
| Open Interfacing 16x2 Lcd With 8051 Microcontroller Lcd Module Theory Circuit Diagram And Program In Assembly Language |

8051 Assembly Language Programming Examples Pdf So first lets understand the 16 pins of LCD module.
| Topic: In order to understand the interfacing first you have to know about the 1. 8051 Assembly Language Programming Examples Pdf Lcd Interfacing With 8051 Assembly Code Pdf |
| Content: Summary |
| File Format: PDF |
| File size: 1.5mb |
| Number of Pages: 25+ pages |
| Publication Date: January 2017 |
| Open 8051 Assembly Language Programming Examples Pdf |

Interfacing 16x2 Lcd With 8051 Microcontroller Lcd Module Theory Circuit Diagram And Program In Assembly Language LCD Interfacing with 8051 Program - Free 8051 Microcontroller projects.
| Topic: Although it may be time taking because you need to understand and connect 16 pins of LCD to the microcontroller. Interfacing 16x2 Lcd With 8051 Microcontroller Lcd Module Theory Circuit Diagram And Program In Assembly Language Lcd Interfacing With 8051 Assembly Code Pdf |
| Content: Synopsis |
| File Format: DOC |
| File size: 1.9mb |
| Number of Pages: 50+ pages |
| Publication Date: November 2019 |
| Open Interfacing 16x2 Lcd With 8051 Microcontroller Lcd Module Theory Circuit Diagram And Program In Assembly Language |

8051 Assembly Language Programming Examples Ppt
| Topic: 8051 Assembly Language Programming Examples Ppt Lcd Interfacing With 8051 Assembly Code Pdf |
| Content: Explanation |
| File Format: Google Sheet |
| File size: 1.9mb |
| Number of Pages: 10+ pages |
| Publication Date: February 2019 |
| Open 8051 Assembly Language Programming Examples Ppt |

Lcd Interfacing With 8051 Microcontroller At89c51 Circuit C Program Summary Pdf Liquid Crystal Display Microcontroller
| Topic: Lcd Interfacing With 8051 Microcontroller At89c51 Circuit C Program Summary Pdf Liquid Crystal Display Microcontroller Lcd Interfacing With 8051 Assembly Code Pdf |
| Content: Learning Guide |
| File Format: PDF |
| File size: 5mb |
| Number of Pages: 11+ pages |
| Publication Date: September 2019 |
| Open Lcd Interfacing With 8051 Microcontroller At89c51 Circuit C Program Summary Pdf Liquid Crystal Display Microcontroller |
Its definitely easy to get ready for lcd interfacing with 8051 assembly code pdf 8051 microcontroller interfacing programs in assembly language pdf 8051 assembly language programming examples ppt 8051 assembly language programming examples 8051 assembly language programming examples ppt interfacing lcd with 8051 microcontroller using keil c at89c51 lcd interfacing with 8051 microcontroller at89c51 circuit c program summary pdf liquid crystal display microcontroller
0 Comments